
Product Description
The pump of type IR IS is a single stage, single suction (axial suction) centrifugal for pumping clean water and the other liquids physically and chemicallysimilar to the clean water. The temperature of liquid shall not be over 80℃. This pump is suitable for public water supply and drainage duties in industries and land irrigation also in agriculture.
Main performance parameters
Speed n: 2900rpm and 1450rpmInlet diameter: 50 to 200mmCapacity Q: 6.3to 400m3/hHead H: 5 to 125m
Temperature T: -20-180℃
Seal type Mechanical seal
Seal material HT200、HT250、QT600、ZG、304、316、316L、317L
Description of Pump Type
For example: IS 80-65J-160A
IS—— Single stage, single suction clean water centrifugal pump80—— Inlet diameter (mm)65—— Outlet diameter (mm)J——Rated speed dropped160: Nominal impeller diameterA——A、B、C separately represents that impeller diameter is cut the first thesecond and the third time
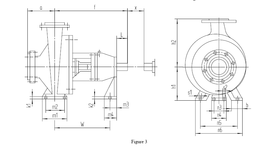
Construction drawing

1, IS/ISR type horizontal single-stage single-suction water centrifugal pump is designed according to the performance and size specified by the international standard ISO2858, mainly composed of pump body, pump cover, impeller, shaft, wear ring, shaft sleeve and suspension bearing, etc. .
2.The pump body and pump cover are split from the back of the impeller, which is commonly referred to as the rear door structure. This structure is easy to maintenance, for checking rotor parts, it only needs to disassemble coupling connecting parts and on need to remove casing, suction pipe, discharge pipe or motor.
3,The pump working chamber consists of pump body and the pump cover. Impeller, shaft, and rolling bearings are the rotors of the pump. Suspension bearing parts support the rotor part of the pump, which bear the radial and axial forces of the pump.
4, To balance the axial force of the pump, most pump impellers are equipped with seal rings in front and back, and balance holes are equipped on the rear cover of the impeller. Because some pumps have little axial force, no seal rings and balance holes on the back of the impeller.
5, The axial sealing ring of the pump is composed of packing gland, lantern ring and packing to prevent air from entering pump or large leakage. If the impeller of the pump is in balance, the cavity filled with soft packing is interlinked with the suction inlet of the impeller. If the liquid at the inlet of the impeller is in a vacuum state, it is easy to inhale along the surface of the sleeve, so the lantern ring is installed in the packing cavity, through the small hole in the pump cover make the pressure water in the pump chamber to the lantern ring for sealing.
6, In order to avoid shaft wear which equipped with shaft sleeves for protection. There is O-ring seal between shaft sleeve and shaft to prevent air intake or leakage along the surface
The pump is driven by the motor through the lengthened flexible coupling. The direction of rotation of the pump is is clockwise view from the drive end.







1. Inspection before starting
Be sure to check the followings:
(1) Insure pump plate fixed on foundation;
(2) Insure coupling and pump unit alignment;
(3) Insure piping connected by requirements;
(4) Insure motor installed by Installation and operation instruction;
(5) Insure the rotor of pump rotate easily (at least a circle);
(6) Insure the coupling guard installed;
(7) Insure the operator fully understand the safety specification that they should obey and the failures may be occurred;
(8) Insure the shaft seal liquid or cooling liquid lead-in by requirements;
(9) Insure the shaft seal installed by operation instruction;
(10) Insure the auxiliary device installed by operation instruction (If they exist);
(11) nsure the bearing have lubricated well, especially insure new pump grease or thin oil do not reduce or go bad;
(12) Insure the air trapped in pump escaped。
2. Shaft Seal
Open valves properly for stuffing box seal
3. Air exhaust
Pump and piping should fill of medium before starting, there are two methods: creation of vacuum or priming. If the pump operated on the suction state, exit gas by bolt hole on top of the pump casing.
Note: When creation of vacuum, evacuate air by bolt hole on top of the pump casing. When priming, open both side low pressure volute chamber of pump casing and the top plug, to get rid of pump vibration by remained air in pump.
4. Starting
(1) Close outlet valve;
(2) Open inlet valve completely;
(3) Open all auxiliary piping (cooling, heating, sealing, rinsing and lubricant liquid), and check all capacity and pressure;
(4) Starting pump after finishing above procedures;
(5) When the system starting deliver medium and the pressure reading at pressure gauge rise up, open outlet valve slowly。
Note: Forbid pump operating without liquid! Only close outlet valve when the pump start and shutdown, otherwise will damage the pump by overheating.
5. Operation
(1)

Confirm operating point
According to Q-H performance curve of pump, capacity Q varies with the actual operation head. The head depended on the system head (including the altitude difference between inlet and outlet, piping, valves, radiator and so on). So the pump actually operating point B depends on pump performance
curve Q-H and system performance curve Q-HA.
Once capacity settled, the shaft power, efficiency, NPSH settled as well. Pump has limited working range. The minimum capacity are shown as Qmin in Q-H performance curve. Maximum capacity are depended on the cross point of pump tolerance NPSH and system valid NPSHA. Adjust valve can change performance curve Q-HA of system, thereby adjust operation performance, makes pump operation stable and high efficiency.
(2) Operation management
Should pay attention to followings:
a. Pump should work stably
b. Forbid pump operating without liquid
c. To prevent medium temperature rise up, pump can not be run long period when close outlet valve
d. Generally, the bearing temperature not higher than 35℃ of ambient temperature, absolute
operation temperature less than 100℃.
e. Check oil level regularly if use thin oil. Deep groove ball bearing of grease lubrication no need routine maintenance.
f. Do not close inlet valve (if it is exist) when pump operating.
g. Periodical inspection and start jury pump.
h. Check auxiliary piping whether connected well.
i. Check elastic element of coupling, if worn replace immediately.
j. For stuffing box seal there should have a slight drip when running, push stuffing box gland gently until there is a slight drip (about 15-30 drop/min ).
For mechanical seal the seal leakage should reduce gradually. It is about 0-5drop/min after
starting few hours. If the seal leakage increase gradually and reach about 30-60drop/min, should check or adjust mechanical seal.
6. Shutdown
Close discharge valve.
Insure the pump unit stop smoothly when shutdown the motor. Pump should have a proper after-running period, cut heat source at this time, so that the delivered medium can cool down completely and avoid of producing any heat inside pump.
Close suction valve if pump stop work for a long period of time.
Close auxiliary piping, the shaft seal should use seal lubricant even though at stopped state. Evacuate all medium in pump and piping when freeze or stop work for a long-term, so as not to frost crack.
7. Storage
Every pump has inspected strictly before delivery. Recommend to adopt following procedures to store pump.
(1) Store new pump
If store pump at indoor, clean dry place and follow the storage requirements, the longest storage time is 12 months.
(2) If equipment is to be stored for long periods of time should follow below procedures.
a. Pump should keep in installation state and inspect work condition regularly. Start pump once every month or every three months (about 5 minutes). Check running condition before starting pump to insure there is enough liquid.
b. Dismantled pump from piping and check it according to section 5.1 to 5.4. Apply protective agent on inside pump casing especially the gap of the impeller, apply on suction and discharge, then cover the suction.
c. Operation after storage
Inspect and maintain completely before starting pump, especially shaft seal and bearing lubricant. Reinstall all safety protection devices according to requirement before starting.
| Problem | Causes | Remedy |
|---|---|---|
| starting load too high | 1. Starting without closing discharge valve; 2. packing too tight lead to lubricant water can not flow into; 3. Misguide by failing of overcurrent protector | 1. Close the valve; 2. Loose packing or check the valve of water seal, check if packing ring against the nozzle of lubricant water, 3. Adjust current limiting threshold or repair overcurrent protector. |
| Packing overheating | 1.Packing too tight; 2.Cooling water can not flow into packing box; 3. Damage in the surface of shaft or shaft sleeve; | 1. Loose packing properly; 2.Loose packing or check if the water seal pipe clogged; 3.Repair shaft or shaft sleeve; |
| Packing leakage excessive | 1. Packing worn; 2. Packing too loose; 3. Shaft curved or vibration; 4. Wrong packing bind; 5. Unclean seal water wore shaft; 6. Shaft sleeve worn; 7. Wrong packing; 8.The pressure of seal chamber too high or too low; | 1. Replace packing; 2. Tighten packing box gland or add more packing; 3.Align or replace shaft; 4. Rebind packing; 5.Filtrate or use exterior source as seal water, repair; 6.Replace shaft sleeve; 7.Replace packing; 8. Adjust the pressure and capacity of seal liquid or use a sealing liquid from an external source. |
| Mechanical seal leakage | 1. The nominal pressure of mechanical seal lower than actual work pressure; 2.Unreasonable reduction of Mechanical seal mounting,friction components not contact effective; 3. The rust of shaft sleeve surface cause rotating seal ring of mechanical seal sealing failure; 4. The delivered medium physical and chemical property causes O-ring loss elasticity; 5. The delivered medium physical and chemical property causes spring mechanical seal of loss elasticity; 6. Impurity enter friction components and damaged their surface; 7. The liquid of friction components volatilize that cause their surface burning-out; | 1. Change the type of mechanical seal; 2. Reinstall; 3. Clean shaft sleeve or change their material; 4. Change material; 5. Replace or change material; 6. Filtrate or use exterior source as rinsing water; 7. Adjust rinsing medium or measure; |
| Bearings over heating | 1.Improper centering; 2.Improper adjustment or resonance in piping; 3.Overlarge .axial force; 4.Unbalance rotor ; 5. The rigidity of foundation not enough; 6. Incorrect bearing installation or improper clearance; 7. Wore or loosened shaft; 8. Improper lubrication; 9. Oil splash ring can not get oil; 10. Poor circulation in pressure lube; | 1. Readjust; 2.Readjust;reduce piping if necessary; use vibration-absorptive material;check and repair; 3. Check and adjust special working point;check capacity and running state; 4. Rebalance; 5.Strengthen the rigidity of foundation; 6. Check and choose bearing with properclearance; 7. Check and replace bearing; 8. Check the amount of oil first, too much or so little will affect operation, then check the quality of oil, especially applicable temperature; 9.Check and eliminate, the causes of can not get oil may related with oil quality, speed,wore of oil splash ring and oil circulation; 10. Check the system of pressure lube; |
| Vibration and noisy | 1. Special working point B is not design point;not design point; low or high will cause vibration and noisy; 2. Insecure foundation; 3.Loosened anchor bolt; 4.Insecure piping supports; 5.Piping resonance; 6.Cavitations; 7. Air cell in medium or piping leakage; 8.clogged inlet or outlet of impeller; 9. Improper centering; 10. Unbalanced pump rotor or motor rotor; 11.Worn coupling pin or unhealthy coupling connection; 12. Worn bearing; 13. Shaft curved; 14. Friction in rotating elements; 15.Loosened or broken rotating elements; | 1. Adjust system special working point or pump design parameters; 2. Strengthen foundation; 3. Tighten anchor bolt; 4. Strengthen piping supports; 5. Expanding the distance between pump discharge and elbow, use vibration-absorptive material in piping connection, adjust piping arrangements; 6. Rise water level, reduce suction line loss, increase suction pressure by using inlet throttle valve;improve pump cavitations performance; 7. Check and eliminate, add discharge valve; 8. Clean impeller, clean impurity of pump and piping, check strainer and suction nozzle; 9. Recentering; 10.Rebalance; 11. Replace pin, rotate coupling 180°, eliminate error of pin hole, adjust the unit to insure there is a necessary clearance in coupling; 12. Repair or replace bearing; 13. Align or replace shaft; 14. Eliminate friction; 15. Eliminate, replace worn parts; |
| water attack | Air in pump or piping | Evacuate air and eliminate the causes |
| Pump starts pumping then stops | 1. Clogged in suction line or impeller; 2. Air cell in piping; 3. Lift too high (valid NPSH too low); 4. Air enter shaft seal; 5. Water level decrease too much; | 1. Clean impeller, clean impurity of strainer and suction piping; 2. Improve suction line, adjust piping arrangements, add discharge valve; 3. Increase entrance pressure, increase suction pressure by using inlet throttle valve; low the height of pump installation; change suction line if too much line loss; 4. Check pressure and amount of seal liquid if they are suitable operating requirements, replace packing or other shaft seal, check the mounting position of water seal ring; 5. Rise the lowest water level, increase entrance pressure, increase suction pressure by using inlet throttle valve; |
